Premium Smart-Pumpe Wilo-Stratos MAXO
Hocheffizienz-Inline Nassläufer-Pumpe
mit EC-Motor und elektronischer
Leistungsanpassung. Einsetzbar für
Heizungswasser, Kaltwasser und
Wasser/Glykolgemische.
Energieeffizienzindex (EEI) je nach
Pumpentyp zwischen kleiner gleich 0,17
und kleiner gleich 0,19.
Regelarten:
Permanente, automatische Leistungs
Anpassung an den Anlagenbedarf ohne
Sollwertvorgabe Wilo-Dynamic Adapt plus
(Werkseinstellung). Bis zu 20 %
Energieeinsparung gegenüber der
Regelungsart dp-v.
Konstante Temperatur (T-const.)
Konstante Differenztemperatur (dT
const.)
Bedarfsgerechte Volumenstromoptimierung
der Zubringerpumpe durch Vernetzung und
Kommunikation mit mehreren Pumpen (Multi
Flow Adaptation).
Konstanter Volumenstrom (Q-const.)
Differenzdruckregelung dp-c an einem
entfernten Punkt im Rohrnetz
(Schlechtpunktregelung)
Konstanter Differenzdruck (dp-c)
Variabler Differenzdruck (dp-v) mit der
Option der nominellen
Betriebspunkteingabe
Konstante Drehzahl (n-const.)
Benutzerdefinierte PID-Regelung
Funktionen:
Wärmemengenerfassung
Kältemengenerfassung
Automatische Abschaltung der Pumpe bei
Null-Durchfluss-Erkennung (No-Flow Stop)
Umschaltung zwischen Heiz- und
Kühlbetrieb (automatisch, extern oder
manuell)
Einstellbare Volumenstrombegrenzung
durch QLimit-Funktion (Qmin. und Qmax.)
Betriebsarten Doppelpumpen:
Wirkungsgradoptimierter Additionsbetrieb
für dp-c und dp-v, Haupt-/Reservebetrieb
Speichern und Wiederherstellen der
konfigurierten Pumpeneinstellungen (3
Wiederherstellungspunkte)
Störmeldungs-/Warnmeldungsanzeige in
Klartext inklusive Abhilfeempfehlung
Entlüftungsfunktion zur automatischen
Entlüftung des Rotorraums
Automatische Nachtabsenkung
Automatische Deblockier-Funktion und
integrierter
Motorvollschutz
Trockenlauferkennung
Betriebsdaten
Medientemperatur: -10 oC
Umgebungstemperatur: -10 oC
Maximaler Betriebsdruck: 10 bar
Mindestzulaufhöhe bei 50oC: 7 m
Mindestzulaufhöhe bei 95oC: 15 m
Mindestzulaufhöhe bei 110oC: 23 m
Motordaten
Energieeffizienzindex (EEI): 0.17
Störaussendung: EN 61800-3,2004+A1,2012
Wohnbereich (C1)
Störfestigkeit: EN 61800-3,2004+A1,2012
Industriebereich (C2)
Netzanschluss:
Leistungsaufnahme: 950 W
Drehzahl min.: 500 U/Min
Drehzahl max.: 3000 U/Min
Schutzart Motor:
Kabelverschraubung:
Werkstoffe
Pumpengehäuse: Cast iron
Laufrad: PPS-GF40
Welle: Stainless steel
Lager: Carbon, antimony-impregnated
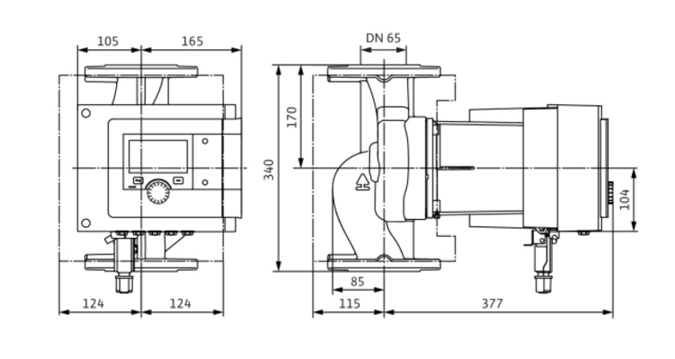
Einbaumaße
Saugseitiger Rohranschluss: DN 65
Druckseitiger Rohranschluss: DN 65
Baulänge: 340 mm
Bestellinformationen
Fabrikat:
Produktbezeichnung: Stratos MAXO 65/0,5
12
PN 6/10
Gewicht netto ca.: 30.5 kg
Artikelnummer: 2186210





