Einstufige Trockenläufer-Kreiselpumpe in
Inline-Bauform für Rohreinbau mit
Pumpengehäuse aus Edelstahl.
Für Netzanschluss 1 x 230 V, 50 Hz oder
3 x 400 V, 50 Hz.
Mit
zwangsumfluteter, Gleitringdichtung.
Betriebsdaten
Medientemperatur: 0 oC
Umgebungstemperatur: -15 oC
Maximaler Betriebsdruck: 10 bar
Motordaten
Motor-Effizienzklasse:
Netzanschluss:
Spannungstoleranz:
Motornennleistung: 60 W
Nenndrehzahl: 1365 U/Min
Nennstrom: 0.85 A
Leistungsfaktor: 0.79
Motorwirkungsgrad: 26
Motorwirkungsgrad: 36
Motorwirkungsgrad: 42
Isolationsklasse: F
Schutzart:
Werkstoffe
Pumpengehäuse: Stainless steel
Laufrad: PPE/PS-GF20
Welle: Stainless steel
Wellendichtung: BQ1EGG
Laterne: Stainless steel
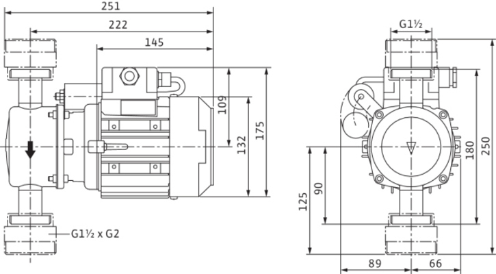
Einbaumaße
Saugseitiger Rohranschluss: G 11/2
Druckseitiger Rohranschluss: G 11/2
Baulänge: 180 mm
Bestellinformationen
Fabrikat:
Produktbezeichnung: VeroLine-IP-Z
25/2 EM
Gewicht netto ca.: 5.5 kg
Artikelnummer: 4090293





